Home › Unlabelled ›
1994 Olds Cutl Ciera Fuel Pump Relay Location - I Have A 1994 Oldsmobile Cutlass Cruiser S It Just Died One Night While Driving Came To The Conclusion That The Fuel / 1992 olds cutlass ciera 3.3l after replacing the fuel pump relay and the fuel pressure regulator, it has been hard to start.
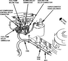
1994 Olds Cutl Ciera Fuel Pump Relay Location - I Have A 1994 Oldsmobile Cutlass Cruiser S It Just Died One Night While Driving Came To The Conclusion That The Fuel / 1992 olds cutlass ciera 3.3l after replacing the fuel pump relay and the fuel pressure regulator, it has been hard to start.. I am trying to locate the correct fuel pump relay. Related fuel system fuel pump relay location content. The fuel pump relay gives the fuel pump power when it is time to build up fuel pressure in the rail. Do what i did pull out the old multimeter and start testing. On mine the fuel pump relay is located behind the rh kick panel above the fuses it is actually a 5 pin relay part you have latched onto a super old thread.
955 fuel pump relay locations products are offered for sale by suppliers on alibaba.com, of which navigation & gps accounts for 1%. I know the fuel pump relay controls straight 12v or resistor power for speed control of fuel pump. Each relay controls vital functions such as fuel delivery, vehicle cooling systems and electrical charging, or controls accessories including lights, wipers and radios. However, i cannot find the fuel pump relay. Is out and will run through the resistor.
1994 Olds Cutlass Ciera Inline Fuel Pump Fuse Location Fixya from s3.amazonaws.com 955 fuel pump relay locations products are offered for sale by suppliers on alibaba.com, of which navigation & gps accounts for 1%. Fuel pump relay location and number 1996 oldsmobile ciera? However, i cannot find the fuel pump relay. Each relay controls vital functions such as fuel delivery, vehicle cooling systems and electrical charging, or controls accessories including lights, wipers and radios. Where is the fuel pump relay located on a 1986 oldsmobile cutlass ciera 2.8 liter 2 barrel carberator ? I've removed the plastic cover beneath the dash, and have searched for the relay location to the left of the steering column and south home. If that all looks good, i suggest checking for power at the inertia switch. In this article, we will discuss symptoms that your fuel relay failed, location, replacement cost, and how to diagnose it.
But i have a 1997 z3 1.9 and looking for the same fuel pump relay.
Search our online fuel pump relay catalog and find the lowest priced discount auto parts on the web. In this article, we will discuss symptoms that your fuel relay failed, location, replacement cost, and how to diagnose it. I tested before the rollover valve (which can go bad itself) and found out the relay went bad when it activated. Was the old fuel left in the vehicle or did you drain it? The fuel pump in bothmy 1988 and 1989 olds cutlass supreme sl are in the fuel tank they're always in the fuel tank!! I figured maybe the pump went bad and caused the fuse to blow. Also the fuel pump relay must get power to its coil to close from the power relay and the power relay will not close without power from the ignition switch. We offer high quality new, oem, aftermarket and remanufactured oldsmobile cutlass ciera fuel pump relay parts. Each relay controls vital functions such as fuel delivery, vehicle cooling systems and electrical charging, or controls accessories including lights, wipers and radios. If this is your first visit, be sure to check out the faq by clicking the link above. I swapped out the horn and fuel pump relay, and now everything works great. The fuel pump relay helps your vehicle start the car by pressurizing the fuel system for the first few seconds before the oil pressure's level takes over. This should be a no brainer for you guys, i'm trying to find the fuel pump relay on my '86 b2 2.9l.
Please at least narrow my search with suggestions.i have been through engine compartment, under dash l and r sides, fuel pump. Where is the fuel pump relay located on a 1986 oldsmobile cutlass ciera 2.8 liter 2 barrel carberator ? The fuel pump relay helps your vehicle start the car by pressurizing the fuel system for the first few seconds before the oil pressure's level takes over. Which is the fuel pump relay, there are 4 located in the right front corner? On mine the fuel pump relay is located behind the rh kick panel above the fuses it is actually a 5 pin relay part you have latched onto a super old thread.
1999 Oldsmobile Fuse Box Wiring Diagram Direct State Captain State Captain Siciliabeb It from motogurumag.com Fuel level 97 индикатор воды в топливе water in fuel water in fuel * the new text messages appear on vehicles built on or after march 7, 1997. I figured maybe the pump went bad and caused the fuse to blow. I've removed the plastic cover beneath the dash, and have searched for the relay location to the left of the steering column and south home. If this is your first visit, be sure to check out the faq by clicking the link above. The b2 fired right up, even with two year old gas. Oem offers the highest quality parts available. In this article, we will discuss symptoms that your fuel relay failed, location, replacement cost, and how to diagnose it. Do what i did pull out the old multimeter and start testing.
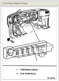
I've removed the plastic cover beneath the dash, and have searched for the relay location to the left of the steering column and south home.
Search our online fuel pump relay catalog and find the lowest priced discount auto parts on the web. Does anyone know where the fuel pump relay is located. This should be a no brainer for you guys, i'm trying to find the fuel pump relay on my '86 b2 2.9l. However, i cannot find the fuel pump relay. Fuse looks good though so i am looking for the pump relay, which i cannot find. We offer high quality new, oem, aftermarket and remanufactured oldsmobile cutlass ciera fuel pump relay parts. It is often found in. 1992 olds cutlass ciera 3.3l after replacing the fuel pump relay and the fuel pressure regulator, it has been hard to start. I am trying to locate the correct fuel pump relay. Was the old fuel left in the vehicle or did you drain it? There are different reasons due to which the fuel pump relay fails. Which is the fuel pump relay, there are 4 located in the right front corner? Starting a thread is free!
Each relay controls vital functions such as fuel delivery, vehicle cooling systems and electrical charging, or controls accessories including lights, wipers and radios. Where is the fuel pump relay on the 100 series (2000 lc)? 1992 olds cutlass ciera 3.3l after replacing the fuel pump relay and the fuel pressure regulator, it has been hard to start. Fuel pump relay location and number 1996 oldsmobile ciera? My 95 olds cutlass ciera stops running while i am driveing down the road or sitting after running for about 20 min and can you show me were the fuel pump relay is located… read more.
Oldsmobile Cutlass Ciera Questions 1989 Cutlass Oldsmobile Where Is Fuel Pump Relay Or How To Reset It Cargurus from static.cargurus.com The fuel pump does not energize when the key is initially turned on leading me to suspect its a problem. There are different reasons due to which the fuel pump relay fails. If your fuel pump relay is bad, you're going to have some drivability issues. If that all looks good, i suggest checking for power at the inertia switch. In this article, we will discuss symptoms that your fuel relay failed, location, replacement cost, and how to diagnose it. The fuel pump relay helps your vehicle start the car by pressurizing the fuel system for the first few seconds before the oil pressure's level takes over. I swapped out the horn and fuel pump relay, and now everything works great. Also the fuel pump relay must get power to its coil to close from the power relay and the power relay will not close without power from the ignition switch.
I figured maybe the pump went bad and caused the fuse to blow.
Does anyone know where the fuel pump relay is located. The horn relay on a 1991 oldsmobile cutlass cierra is located on the passenger side firewall inside the engine compartment. 955 fuel pump relay locations products are offered for sale by suppliers on alibaba.com, of which navigation & gps accounts for 1%. We offer high quality new, oem, aftermarket and remanufactured oldsmobile cutlass ciera fuel pump relay parts. This should be a no brainer for you guys, i'm trying to find the fuel pump relay on my '86 b2 2.9l. I think it might be the fuel pump relay but don't know where it is located and what it looks like. If that all looks good, i suggest checking for power at the inertia switch. Thats why i would like to check fuel pump relay but cannot locate. 1994 olds cutlass cierra has new fuel pump and relay and still not getting fuel? Where is fuel filter located on 1988 olds cutlas ciera? Have you checked fuel pump pressure to the engine? I have a 99 cherokee, just bought it and the car still runs for a couple seconds after the key is turned off. If this is your first visit, be sure to check out the faq by clicking the link above.